FABI - Mazda RX7 FD3S
Moderátoři: Amigo, riderhenry
Re: FABI - Mazda RX7 FD3S
Tak to bys asi seriovy ani pouzit nemohl.Ale MK60 zvladne pracovat s cimkoliv mezi 40-50 zubu na krouzku...dokud budou na vsech kolech stejny.Nastaveni urovne dovolenyho slipu umoznuje jen ten Motorsport Bosch...a nebo pokud zainvestujes tech 1250 Liber a nechas si do te MK60 nalit ten TEVES/Conti race program, kterej ti usijou presne na miru tvyho sasi vcetne paramteru jako vaha, rozvor, rozchod, pocet a velikost brzdovejch pistku v brzdicich, atd.Ale verim, ze tam pak budou jeste dalsi ne uplne maly vydaje za jinou kabelaz, protoze ta uz jede na CANu a dalsi veci jako treba za samotnej ovladac kterym si ty prednastaveny mapy prepinas ( https://www.kmpdrivetrain.com/wp-conten ... KMP-01.png ).Awatar píše: ↑10 lis 2020, 21:05Jak to má FD netušim, ale s15 má signály od každýho předního kola a pak jeden z diferáku, pulzy se ale liší (předek vs zadek). Já dávám diff z R32, takže už jsou 2 signály ze zadu a dopředu custom těhlice s 350Z ložisky a ABS kroužkem, pokud budu mít tvar čidla, tak tam jde v poho dodělat. Ale pořád bude rozdíl předek/zadek v množství pulzů. Proto co sem koukal tak plný nastavení má jenom ta Bosch Motorsport.
Kdyby si mi mohl říct víc o tom řešení z M3 E46, tak bych byl rád, vypadá to celkem zajímavě. Stejně budu tahat komplet brzdy nový, i komplet elektriku, takže na to prostor určitě je. A CSL ABS už funguje slušně, zvlášť pokud je to za takovou cenu. Klidně mi hoď víc info do SZ, nebo ke mě do topicu o s15, ať tady nespamujem, ale možná to bude zajímat víc lidí.
Btw. ja mam taky Tilton pedalovku s vahadlem i s Tilton valeckama a to jsem jeste vybiral takovy, kterejm by ty zpetny ABS pulzy nemely vadit...ale jak to bude fungovat jeste nevim, protoze auto uz je 6 tydnu u ladice a jeste porad ani poprve nevrcelo, takze je to vsechno zatim bohuzel jen teorie
Jo a mmch kdyz vam chci odpovedet, tak mi to pri odeslani prispevku napise :"Vaše IP 46.33.112.76 byla blokována, protože je obsažena v blacklistu. Pro podrobnosti se podívejte na http://www.spamhaus.org/query/bl?ip=46.33.112.76.", takze to musim sam sobe zkopirovat, preposlat na messenger, na mobilu si ho otevrit, zpravu zkopirovat, odpojit z wifi, otevrit si v safari forum a pak az to sem vlozit
Uz jsem stejnej problem s Libasem dle pohledu do SZ kdysi v 2014 resil a od te doby az doted nebyl problem...Charlie killer

Re: FABI - Mazda RX7 FD3S
Butcher:
Pěkně jsi to sesumíroval. Jedna připomínka. Když máš funkční ABS, je vahadlo v pedálovce zbytečné. Každá ABS jednotka obsahuje elektronický rozdělovač brzdné síly Front/Rear, což je rychlejší a přesnější, než váha nebo jakýkoliv omezovač brzdného tlaku + navíc si hlídá každé kolo samostatně. To mechanika neumí... Co všechno musí být k MK60 připojeno pro plnotučnou funkci.
Pokud DSC komponenty vynecháme, pak funguje pouze jako ABS. ABS jako takové je vždy koncipováno jako nezávislé z bezpečnostních důvodů. ECU ani jiné náležitosti k vlastní činnosti nepotřebuje, je to samostatný systém. CSL software na tu naši AM classe není nezbytný a regulace slipu je záležitost pro profesionály, kteří umí brzdit. Takových je v ČR 10, takže klid. Jinak je TEVES MK60 velmi dobře fungující zařízení, můžu jen doporučit.
Motorsport BOSCH M4/5 je obyčejná, těžce předražená seriová jednotka, s jediným rozdílem - obsahuje rozhraní, kterým se dá nakonfigurovat platforma daného vozidla, takže je univerzální + už zmíněná regulace slipu/stability.
Pak je zde absolutně nejjednodušší varianta s minimálním počtem komponent a drátů - TEVES MK20, kterou zvládne nainstalovat úplně každý. Funguje taky velice dobře, oproti MK60 ji chybí DSC (dynamic stability control = přibržďování kol v zatáčce), obsahuje už zmíněný rozdělovač brzdné síly EBV + ASC = automatic stability control = plynule mění brzdný výkon jednotlivých kol zadní nápravy v závislosti na zatížení a adhezi. Finanční náklady na tenhle systém jsou minimální, v podstatě se zaplatí po prvním "probrždění".
MK20 provozuji v junior raceru, kde přední kotouče jsou 365 vs zadní 355 = značně předimenzované = dost mimo predikovanou oblast tabulek v softwaru a jednotka si s tím přesto poradí naprosto bravurně.
Dá se sehnat kolem 50e i s konektorem + samozřejmě jsou potřeba ještě odpovídající snímače, to je vše. Jak psal Butcher, kroužky na všech kolech stejné, 40-60 zubů no problem. Fabi:
ABS určitě ano, v profi seriálech, kde není vyloženě zakázáno, ho všichni mají... je to fajn, když se můžeš věnovat pouze volantu a neřešit zbytečně moc závislostí najednou, projeví se to na laptime....
taky může zachránit auto...
Pěkně jsi to sesumíroval. Jedna připomínka. Když máš funkční ABS, je vahadlo v pedálovce zbytečné. Každá ABS jednotka obsahuje elektronický rozdělovač brzdné síly Front/Rear, což je rychlejší a přesnější, než váha nebo jakýkoliv omezovač brzdného tlaku + navíc si hlídá každé kolo samostatně. To mechanika neumí... Co všechno musí být k MK60 připojeno pro plnotučnou funkci.
Pokud DSC komponenty vynecháme, pak funguje pouze jako ABS. ABS jako takové je vždy koncipováno jako nezávislé z bezpečnostních důvodů. ECU ani jiné náležitosti k vlastní činnosti nepotřebuje, je to samostatný systém. CSL software na tu naši AM classe není nezbytný a regulace slipu je záležitost pro profesionály, kteří umí brzdit. Takových je v ČR 10, takže klid. Jinak je TEVES MK60 velmi dobře fungující zařízení, můžu jen doporučit.
Motorsport BOSCH M4/5 je obyčejná, těžce předražená seriová jednotka, s jediným rozdílem - obsahuje rozhraní, kterým se dá nakonfigurovat platforma daného vozidla, takže je univerzální + už zmíněná regulace slipu/stability.
Pak je zde absolutně nejjednodušší varianta s minimálním počtem komponent a drátů - TEVES MK20, kterou zvládne nainstalovat úplně každý. Funguje taky velice dobře, oproti MK60 ji chybí DSC (dynamic stability control = přibržďování kol v zatáčce), obsahuje už zmíněný rozdělovač brzdné síly EBV + ASC = automatic stability control = plynule mění brzdný výkon jednotlivých kol zadní nápravy v závislosti na zatížení a adhezi. Finanční náklady na tenhle systém jsou minimální, v podstatě se zaplatí po prvním "probrždění".
Dá se sehnat kolem 50e i s konektorem + samozřejmě jsou potřeba ještě odpovídající snímače, to je vše. Jak psal Butcher, kroužky na všech kolech stejné, 40-60 zubů no problem. Fabi:
ABS určitě ano, v profi seriálech, kde není vyloženě zakázáno, ho všichni mají... je to fajn, když se můžeš věnovat pouze volantu a neřešit zbytečně moc závislostí najednou, projeví se to na laptime....
taky může zachránit auto...
Re: FABI - Mazda RX7 FD3S
Btw kdyby nekdo chtel, zustala mi tu prave MK20 z myho auta...necham za pusu, plne funkcni vcetne senzoru, ale ty bych radsi doporucil koupit novy
Naposledy upravil(a) Butcher dne 12 lis 2020, 19:00, celkem upraveno 1 x.
Charlie killer

Re: FABI - Mazda RX7 FD3S
Hele já bych si ji vzal, zatím nevím zda to tam budu páchat ale lepší mít v zásobě.
Re: FABI - Mazda RX7 FD3S
Tak jelikož vše už bylo dorozebráno do posledního kousku začalo se s postupnou renovací dílů. Co nejdříve musím připravit hliníkové části na cestu na ultrazvukové čištění, dále se vyřešila ramena a to tím, že čekáme na Black Friday a nakoupím kit potřebných ramen. Tuto sobotu odjíždí auto na rám, tzn místo na dílně. A to znamená výrobu forem na kufrová vrata ty bych rád měl do Vánoc na autě.
Re: FABI - Mazda RX7 FD3S
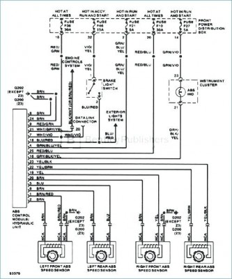
Ještě k tomu ABS, tak kroužky na ABS jdou teoreticky vyrobit tak, aby měli požadovaný počet zubů a rozdíl mezi plochou zubu a dírou podle požadavku. Ta MK60 vypadá jako hodně dobrý řešení. Je tady někdo v republice, kdo je schopen to rozumně zprovoznit, nebo je lepší si to udělat sám?
Co se týká kabeláže v autě, tak ta se bude stejně komplet dělat nová pro standalone ECU, dash a PMU, spíš jak je to s náročností slazení všech komponent. Pokud se to taky vezme jen jako ABS, tak jak se vlastně pozná, jestli systém funguje, pokud informaci pro kontrolky (ABS a DSC) posílá jen po CANu.
Edit: Tak nakonec 350Z by mělo mít 46zubů a R32 GT-R má na každý straně diffu taky 46zubů.
tohle vypadá celkem zajímavě: https://3dmmotorsport.com/collections/m ... dalone-abs
Co se týká kabeláže v autě, tak ta se bude stejně komplet dělat nová pro standalone ECU, dash a PMU, spíš jak je to s náročností slazení všech komponent. Pokud se to taky vezme jen jako ABS, tak jak se vlastně pozná, jestli systém funguje, pokud informaci pro kontrolky (ABS a DSC) posílá jen po CANu.
Edit: Tak nakonec 350Z by mělo mít 46zubů a R32 GT-R má na každý straně diffu taky 46zubů.
tohle vypadá celkem zajímavě: https://3dmmotorsport.com/collections/m ... dalone-abs
Re: FABI - Mazda RX7 FD3S
Ja u nas potazmo ani v Evrope nikoho nenasel a proto mi ten harness delali prave v tom 3dm motorsport.Sam bych si na to rozhodne netroufnul...Taky mam standalone + dash a PMU a vcera volal ladic, ze auto uz poprve zavrcelo, a ze se jde vrhnout na zapojeni toho ABS, takze pak podam report, ale po CANU to do displeje jeste neumi...pisou to i dlouhou dobu na tech jejich strankach "CAN stream output is currently under development" :/
Je tam nejakej primitvni MIL output na kterej pisou, ze vyvinuli nejakej file co to umi zobrazit v AiM dashi stejne jako brake pressures, ale ja mam ADU7 takze nejspis smolik.Tomuhle ale popravde vubec nerozumim, takze cekam co mi rekne ladic a pak to budu resit dal.Na wheel speeds maji svoji krabicku, ale to je pro kontrolu trakce a uz tak je to auto mnohem vetsi kalkulacka nez jsem puvodne chtel...
BTW. kabelaz delali 3 mesice a do CR to pak slo pul roku...thx to Covid
Je tam nejakej primitvni MIL output na kterej pisou, ze vyvinuli nejakej file co to umi zobrazit v AiM dashi stejne jako brake pressures, ale ja mam ADU7 takze nejspis smolik.Tomuhle ale popravde vubec nerozumim, takze cekam co mi rekne ladic a pak to budu resit dal.Na wheel speeds maji svoji krabicku, ale to je pro kontrolu trakce a uz tak je to auto mnohem vetsi kalkulacka nez jsem puvodne chtel...
BTW. kabelaz delali 3 mesice a do CR to pak slo pul roku...thx to Covid
Charlie killer

Re: FABI - Mazda RX7 FD3S
Tak to abych to už objednal co nejdřív s tímhle přístupem, ale nejdřív čekám co mi napíšou ohledně senzorů ABS jaký jdou použít. A taky mě štve, že nemají nějakou signalizaci o tom, že je systém funkční, je naprd když člověk zjistí, že to nefunguje v momentě kdy se na to spoléhal.
Jinak kdyby byla možnost i nastavitelnýho DCS, tak by mi to vůbec nevadilo, někdy se to hodí, launch control umí jednotka, tak to pak už bude komplet.
Jinak kdyby byla možnost i nastavitelnýho DCS, tak by mi to vůbec nevadilo, někdy se to hodí, launch control umí jednotka, tak to pak už bude komplet.
Re: FABI - Mazda RX7 FD3S
Tak o to líp, mě to přišlo že kontrolka je po CANu a rychlost napevno, tak to bude asi naopak.
Re: FABI - Mazda RX7 FD3S
Tak už jsem v kontaktu s 3DM Motorsport a řešíme jak to zprovoznit, vypadá to nadějně. Už to dělali na hromadu různých aut, tak maj celkem zkušenosti. Pokud mi udělají výstup na jednoduchou kontrolku, tak to asi ani nepotřebuju mít po CANu. Ještě nevím jestli použiju ADU5 nebo ADU7, čekám na palubku a podle toho jak se podaří rozvrhnout ostatní kontrolky tak se rozhodnu (blinkry, ručka, světla, zdvojený tlak oleje apod. budu mít mimo dash).Butcher píše: ↑16 lis 2020, 15:51Ja u nas potazmo ani v Evrope nikoho nenasel a proto mi ten harness delali prave v tom 3dm motorsport.Sam bych si na to rozhodne netroufnul...Taky mam standalone + dash a PMU a vcera volal ladic, ze auto uz poprve zavrcelo, a ze se jde vrhnout na zapojeni toho ABS, takze pak podam report, ale po CANU to do displeje jeste neumi...pisou to i dlouhou dobu na tech jejich strankach "CAN stream output is currently under development" :/
Je tam nejakej primitvni MIL output na kterej pisou, ze vyvinuli nejakej file co to umi zobrazit v AiM dashi stejne jako brake pressures, ale ja mam ADU7 takze nejspis smolik.Tomuhle ale popravde vubec nerozumim, takze cekam co mi rekne ladic a pak to budu resit dal.Na wheel speeds maji svoji krabicku, ale to je pro kontrolu trakce a uz tak je to auto mnohem vetsi kalkulacka nez jsem puvodne chtel...
BTW. kabelaz delali 3 mesice a do CR to pak slo pul roku...thx to Covid![]()
Re: FABI - Mazda RX7 FD3S
Moc se mi líbí tvůj projekt! Je vidět, že věnuješ autům opravdu hodně a výsledek za to vždy stojí! Myslím, že minulý týden jsem potkal tvé FD na plaťáku v Rakovníku. Že by se jelo na rám k panu Krobovi?
Re: FABI - Mazda RX7 FD3S
Moc děkuju
Re: FABI - Mazda RX7 FD3S
Krásné Vánoce a svátky vše přeji a ať se daří v Nové roce. Pekáče ať poslušně pracují a ať jde vše od ruky.
No a zde novinky, je jich poměrně dosti dost.
Jelikož jsem byl teď skoro měsíc bez auta, probíhala renovace dílů, které se budou vracet zpět na auto. Jasněěě je to závoďák ale stejně mi nejde přenést přes srdce představa, že bych na auto instaloval hnusné orezlé díly.
Dalším krokem, které se stihl je rozlisování těhlic, nábojů a siláčů - konečněěě. Nechtělo se mi hrozně do toho a když jsme se na to vrhli tak se přesně ukázalo proč. Tvary ramen a těhlic se štíty jsou lahůdka pro standartní tvar lisu, další sranda byla má nevědomost, kde je co zajištěno segrovkou a co je jen guma kde je pouzdro, co z těch kroužků je pouzdro, a má jít ven nebo má zůstat? No hrozný Dělali jsme to celý den a to stylem, kdy první rameno děláte hodinu a půl a druhé rameno z páru máte za 10 minut hotové protože už víte " jak na to". Ale podařilo se, nic se nepoškodilo ( až na jedno rameno ale nic zásadního). Mimochodem, hliníkové těhlice - CHCETE! Neskutečné jak lehké jsou - krása.
Dále došlo na provaření nápravnice. Už jsem to zde zmiňoval ale auto mělo úplně špatně udělanou výztuhu karoserie do které byla na pevno přidělaná převodovka. Když jsem auto dovezl byla výztuha popraskaná a vyrvaný držák z boďáků karoserie. Také bylo prasklé PPF v uchycení u diffu. Nevím co přišlo dřív zda prasklé PPF a snaha řešit kroucení doděláním příšerné výztuhy a nebo zda díky špatně udělané výztuze prasklo PPF. Každopádně se vše opravilo, PPF se svařilo, nová výztuha karoserie se siláčem již z minulosti hotová a také jsem si dovolil vyztužit nápravnici v místě kde je uchycen diff. Celá sestava hnací ústrojí je tak vyztužena a doufám připravena na provoz 370-400HP, které věřím, že tam odbrzdíme po nalazení.
No a zde novinky, je jich poměrně dosti dost.
Jelikož jsem byl teď skoro měsíc bez auta, probíhala renovace dílů, které se budou vracet zpět na auto. Jasněěě je to závoďák ale stejně mi nejde přenést přes srdce představa, že bych na auto instaloval hnusné orezlé díly.
Dalším krokem, které se stihl je rozlisování těhlic, nábojů a siláčů - konečněěě. Nechtělo se mi hrozně do toho a když jsme se na to vrhli tak se přesně ukázalo proč. Tvary ramen a těhlic se štíty jsou lahůdka pro standartní tvar lisu, další sranda byla má nevědomost, kde je co zajištěno segrovkou a co je jen guma kde je pouzdro, co z těch kroužků je pouzdro, a má jít ven nebo má zůstat? No hrozný Dělali jsme to celý den a to stylem, kdy první rameno děláte hodinu a půl a druhé rameno z páru máte za 10 minut hotové protože už víte " jak na to". Ale podařilo se, nic se nepoškodilo ( až na jedno rameno ale nic zásadního). Mimochodem, hliníkové těhlice - CHCETE! Neskutečné jak lehké jsou - krása.
Dále došlo na provaření nápravnice. Už jsem to zde zmiňoval ale auto mělo úplně špatně udělanou výztuhu karoserie do které byla na pevno přidělaná převodovka. Když jsem auto dovezl byla výztuha popraskaná a vyrvaný držák z boďáků karoserie. Také bylo prasklé PPF v uchycení u diffu. Nevím co přišlo dřív zda prasklé PPF a snaha řešit kroucení doděláním příšerné výztuhy a nebo zda díky špatně udělané výztuze prasklo PPF. Každopádně se vše opravilo, PPF se svařilo, nová výztuha karoserie se siláčem již z minulosti hotová a také jsem si dovolil vyztužit nápravnici v místě kde je uchycen diff. Celá sestava hnací ústrojí je tak vyztužena a doufám připravena na provoz 370-400HP, které věřím, že tam odbrzdíme po nalazení.
Naposledy upravil(a) 200sxfabi dne 26 pro 2020, 10:21, celkem upraveno 2 x.
Re: FABI - Mazda RX7 FD3S
Následovala okna, nyní mám již zkreslená okna v CADu. Jediné na co jsem čekal byl návrat auta z rámu, jelikož sem potřeboval vymyslet pozici okénka. Nyní je auto zpět takže dovymyslím pozici okenice a můžeme poslat pod mašinu na vyřezání.
Dále mi přišel balíček z Hardrace s rameny, zde ještě jednou díky Barešákovi, mému street týmovému kolegovi
V odkazu přikládám video z rozbalování, kde jsou díly pěkně vidět do detailu. https://www.instagram.com/p/CJEdV51FxU7/
Dále mi přišel balíček z Hardrace s rameny, zde ještě jednou díky Barešákovi, mému street týmovému kolegovi
Naposledy upravil(a) 200sxfabi dne 26 pro 2020, 12:25, celkem upraveno 2 x.
Re: FABI - Mazda RX7 FD3S
No a poslední nejlepší věc nakonec. AUTO JE ZPĚT Z RÁMU. Levák je na světě. Jsem nadšený z práce Jirky Kroba, vše se povedlo. Jsem ovšem rozčarován z absence prostoru uvnitř, čekal jsem to ale ne až tak. Vejdu se tam, bude to vše OK, ale oproti dokonalosti sem na 90% představy jak naladit posez. Rám sedačku obíhá s předností asi na 2 milimetry takže není už umožněn další záklon sedačky a ja bych trochu záklon ještě potřeboval. Jak říkám není to nic průserového ale těch 10% tomu k dokonalosti chybí, ale to je prostě RX7 doopravdy je to prťavé a pokud chcete hlavní oblouk schovat hned pod plech střechy, tak jak by to správně mělo být, tak pak Vám vyjde hlavní oblouk relativně vpředu. I proto jsme museli pro pedálovku probourat karoserii, aby se vešli válečky. Hned po návratu sem tam netrpělivě musel napáchat přístrojovku, aby se dokreslil celkový dojem z interiéru, ze kterého jsem nadšený. Je to pecka, posuďte sami. Hodnotím výsledek 95% !! Video z předávky ZDE https://www.instagram.com/p/CJJnJLGHe9N/
Naposledy upravil(a) 200sxfabi dne 26 pro 2020, 10:38, celkem upraveno 3 x.
Re: FABI - Mazda RX7 FD3S
Vyšlo na mě skvělé číslo - 2020. Asi už navždy pro mě tento rok bude znamenat to samé co rok 2009. Kdy jsem dlouho toužil po nejdříve s13 a pak po stavbě FD. Krásná náhoda. A dobrá připomínka letošního divnoroku.
Naposledy upravil(a) 200sxfabi dne 26 pro 2020, 10:34, celkem upraveno 1 x.
Re: FABI - Mazda RX7 FD3S
Krása bez komentára
nie je čo povedať len pozerať 
Toyota Corolla TS DGR XYZ UR-Racing WhiteLine A-M-A Exhaust OZ HKS Mishimoto™
モータースポーツが大好き Narita dog Fight! 成田ドッグファイト!___showoff imports
モータースポーツが大好き Narita dog Fight! 成田ドッグファイト!___showoff imports
Re: FABI - Mazda RX7 FD3S
Na instagramu sleduji, moc pěkný projekt 

Re: FABI - Mazda RX7 FD3S
Tak zase další novinky, přes svátky sem s tím pohnul zase tak dávám nějaké fotky.
Spodek celý obroušen, hnus práce ale auto bez tečky rzi momentálně.
Spodek celý obroušen, hnus práce ale auto bez tečky rzi momentálně.
Re: FABI - Mazda RX7 FD3S
Odeslali se hliníkové díly na očistění, a podvozkové díly na komaxit. Dále sem připravil šablonu na ořez budoucí podlahy u řidiče.
Re: FABI - Mazda RX7 FD3S
Orovnali se kotouče, aby zmizl zub vzniklý nepasujícím původním adaptérem brzdových třmenů. Po diskuzi zde sem sehnal ABS z BMW.